Contoh Soal Tentang Mikrometer Sekrup. Skala nonius = 0,30 mm. Tinggalkan komentar / pembahasan soal fisika sma / oleh alexsander san lohat. Tentukan hasil pengukuran skala nonius dengan melihat skala nonius yang berimpit dengan garis tengah skala mikrometer sekrup. Pembacaan dan perhitungan mikrometer sekrup umumnya muncul di soal ujian siswa smp dan sma.
Contoh Soal Tentang Mikrometer Sekrup Belajar Daring From belajarsoaldaring.blogspot.com
Walaupun mikrometer sekrup ini mempunyai kata mikro, namun alat ini tidak dapat dipakai untuk menghitung suatu benda dengan skala mikrometer. 47+ contoh soal mikrometer sekrup beserta jawabannya. Suatu benda di laboratorium diukur diameternya menggunakan mikrometer sekrup, dan didapatkanlah hasil sebagaimana gambar dibawah. Soal try out bahasa indonesia kelas 9. Perhatikan pengukuran mikrometer sekrup dibawah ini. Setiap alat ukur memiliki ketelitian yang berbeda sehingga ketidakpastian jangka sorong adalah 0,05 mm atau 0,005 cm.
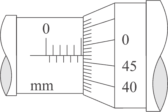
Hasil = 4 mm + 0,30 mm = 4,30 mm.
Contoh soal mikrometer sekrup soal dan pembahasan fisika tentang jangka sorong fokus fisika 10 contoh soal mikrometer sekrup lengkap beserta gambar. Skala tetap = 4 × 1 mm = 4 mm. Berikut adalah contoh soal jangka sorong dan mikrometer sekrup yang dikutip dari buku fisika interaktif kelas x ipa, karya efrizon umar:. Pengukuran tebal batang terlihat seperti gambar berikut. Dimana pemakaian serta praktikum menggunakan mikrometer sekrup akan diajarkan pada siswa sma kelas 10. Perhatikan pengukuran mikrometer sekrup dibawah ini.
Source: web-site-edukasi.blogspot.com
Apabila ada jawaban kami yang salah. Diketahui tebal sebuah benda sebagaimana gambar diatas. Soal mikrometer sekrup akan dibahas secara rinci dan lebih detai tentang bagaimana cara menentukan sekala utama dan sekala putar. 2 contoh soal mikrometer sekrup dan pembahasan. Jadi, hasil pengukuran diameter kawat.
Source: soalnat.blogspot.com
Artinya mikrometer sekrup lebih teliti daripada jangka sorong. Soal mikrometer sekrup akan dibahas secara rinci dan lebih detai tentang bagaimana cara menentukan sekala utama dan sekala putar. Dari angka tersebut, diketahui skala utama dan skala putar, yakni 1,5 mm + 0,29 mm = 1,79 mm. Mikrometer sekrup yakni bahan ukur yang mengukur panjang. Maka hasil pengukuran skala utama skala nonius 75 mm 019 mm 769 mm.
Source: contoh-contoh-soal.blogspot.com
Hasil ukur skala utama skala nonius 3 00 mm 0 22 mm 3 22 mm. Suatu benda di laboratorium diukur diameternya menggunakan mikrometer sekrup, dan didapatkanlah hasil sebagaimana gambar dibawah. Jangka sorong dan mikrometer sekrup merupakan alat ukur besaran panjang dalam fisika. Mikrometer sekrup, fungsi, cara membaca, cara mengukur & contoh soal. Skala tetap = 4,5 × 1 mm = 4,5mm.
Source: lembaredu.github.io
Pembahasan soal net ringkasan materi dan pembahasan soal un tentang. Pada artikel ini kita akan mebahas mengenai kumpulan contoh soal mikrometer sekrup. Dari angka tersebut, diketahui skala utama dan skala putar, yakni 1,5 mm + 0,29 mm = 1,79 mm. Skala nol nonius terletak antara 3,1 cm dan 3,2 cm pada skala tetap. Hasil ukur skala utama skala nonius 3 00 mm 0 22 mm 3 22 mm.
Source: carajitu.github.io
Skala tetap = 4,5 × 1 mm = 4,5mm. Tebal pelat logam diukur dengan mikrometer skrup seperti gambar. Hasil = skala tetap ditambah skala nonius. Ketelitian jangka sorong adalah 0,1 mm atau 0,01 cm dan ketelitian mikrometer sekrup adalah 0,01 mm. Maka hasil pengukuran skala utama skala nonius 75 mm 019 mm 769 mm.
Source: belajarsoaldaring.blogspot.com
Hasil ukur skala utama skala nonius 3 00 mm 0 22 mm 3 22 mm. Cara membaca mikrometer sekrup dikenal cukup akurat untuk menghitung benda dengan ukuran kecil karena memiliki presisi 10x lipat dari jangka sorong. Skala nonius = 0,30 mm. Contoh soal mikrometer sekrup biasa ditemukan pada saat smp. 05/08/2021 · berikut adalah contoh soal jangka sorong dan mikrometer sekrup yang dikutip dari buku fisika interaktif kelas x ipa, karya efrizon umar:.
Source: download-kumpulan-soal-ujian.blogspot.com
Contoh soal 3 tebal sebuah lempeng logam yang diukur dengan mikrometer sekrup seperti ditunjukkan. Menentukan terlebih dahulu skala tetap. Dimana pemakaian serta praktikum menggunakan mikrometer sekrup akan diajarkan pada siswa sma kelas 10. 47+ contoh soal mikrometer sekrup beserta jawabannya. Skala nonius = 0,30 mm.
Source: papertoursp.blogspot.com
Penggaris/mistar, jangka sorong, dan mikrometer sekrup. Suatu benda di laboratorium diukur diameternya menggunakan mikrometer sekrup, dan didapatkanlah hasil sebagaimana gambar dibawah. Skala nol nonius terletak antara 3,1 cm dan 3,2 cm pada skala tetap. 10 contoh soal mikrometer sekrup lengkap dengan pembahasannya. Menentukan terlebih dahulu skala tetap.
This site is an open community for users to share their favorite wallpapers on the internet, all images or pictures in this website are for personal wallpaper use only, it is stricly prohibited to use this wallpaper for commercial purposes, if you are the author and find this image is shared without your permission, please kindly raise a DMCA report to Us.
If you find this site good, please support us by sharing this posts to your own social media accounts like Facebook, Instagram and so on or you can also save this blog page with the title contoh soal tentang mikrometer sekrup by using Ctrl + D for devices a laptop with a Windows operating system or Command + D for laptops with an Apple operating system. If you use a smartphone, you can also use the drawer menu of the browser you are using. Whether it’s a Windows, Mac, iOS or Android operating system, you will still be able to bookmark this website.

