Contoh Soal Decoder Dan Encoder. Apabila input bernilai 4, maka jumlah output adalah. Encoder memiliki maksimum 2 n jalur input dimana “ n “ adalah jalur output. Salah satu dari output ini akan menjadi aktif tinggi berdasarkan kombinasi dari input yang ada ketika decoder diaktifkan. 6 model komunikasi menurut para ahli pakarkomunikasi com.
Encoder Dan Decoder Electro From contohpidatodansoallengkap288.blogspot.com
Ane mau share nih bagaimana cara mencari encode dan decode pada metode kompresi lz77, sebelumnya perhatikan dulu algoritma dibawah ini ya: Dengan adanya soal latihan ini semoga bisa sebagai bahan pembelajaran dan latihan sebelum menghadapi ujian. Dengan kata lain fungsi suatu decoder adalah mengidentifikasi atau mengenali suatu kode terntu. Apabila input bernilai 4, maka jumlah output adalah. Data 1001 tersebut diterima dan bisa dibaca oleh processor.decoder adalah lawan dari encoder, fungsinya mengubah input binary menjadi output desimal, setelah processor menerima data binary, maka data tersebut diteruskan ke dalam display yang berupa monitor, lcd maupun seven segment dan membentuk tulisan desimal yang mudah dibaca oleh. Kumpulan soal pilihan ganda dan.
Bab iv penutup 4.1kesimpulan kesimpulan yang dapat diambil dari makalah ini diantaranya adalah :
Ane mau share nih bagaimana cara mencari encode dan decode pada metode kompresi lz77, sebelumnya perhatikan dulu algoritma dibawah ini ya: Sebagai contoh untuk membuat encoder biner ke oktal (3 input ke 8 output) dapat dibuat dengan decoder 2 ke 4 (2 input dan 4 output). Mari kita lihat contoh desain dari decoder 4 ke 16 dengan menggabungkan dua decoder 3 ke 8 pada gambar di bawah ini. Kebalikan dari proses decoder dimana suatu. Pada encoder 4 ke 2, jumlah output yang dimiliki adalah. Encoder adalah rangkaian kombinasional yang mana merupakan operasi kebalikan dari decoder.
Source: contohpidatodansoallengkap288.blogspot.com
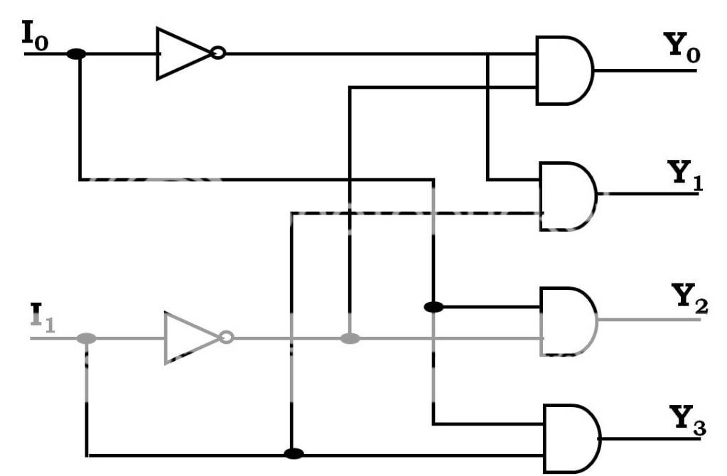
Proses kebalikannya disebut pengkodean (encoding). 2 masukan dan 2 keluaraan b. Apabila dirancang sebuah decoder dengan jumlah masukan 5 maka jumlah keluarannya. Input keempat d diberikan sebagai input enable (en) ke kedua decoder. Sebagai contoh untuk membuat encoder biner ke oktal (3 input ke 8 output) dapat dibuat dengan decoder 2 ke 4 (2 input dan 4 output).
Source: youtube.com
Setiap output mewakili salah satu miniterms dari 2 variabel input, (setiap output = miniterm). Encoder memiliki maksimum 2 n jalur input dimana n adalah jalur output. Pada encoder 4 ke 2, jumlah output yang dimiliki adalah. Memudahkan kita dalam menyalakan seven segment b. Apabila input bernilai 4, maka jumlah output adalah.
Source: contohpidatodansoallengkap288.blogspot.com
Pada dec2to4 memiliki komposisi keluaran dan masukan. Atau “8 line to 3 line encoder” yang berarti rangkaian encoder dengan masukan 8 line dan keluaran 3 line (3 bit bcd). Tapi, ternyata ada juga sekelompok piranti tertentu yang sama sekali tidak mempunyai kemampuan menyimpan data biner, tapi punya kemampuan menyandi, menguraikan sandi, memilih, dan. Inilah pembahasan lengkap terkait jelaskan pengertian beserta contoh encoding dan decoding. Secara sederhana, dapat dikatakan bahwa decoder adalah kebalikan dari encoder.
Source: contohpidatodansoallengkap288.blogspot.com
Dengan kata lain fungsi suatu decoder adalah mengidentifikasi atau mengenali suatu kode terntu. 6 model komunikasi menurut para ahli pakarkomunikasi com. 2 masukan dan 2 keluaraan b. Decoder adalah nama yang diberikan kelompok rangkaian yang menyerap informasi berguna bagi isyarat yang dikodekan atau mengubah isyarat dari satu bentuk pengkodean ke bentuk pengkodean yang lain. Input keempat d diberikan sebagai input enable (en) ke kedua decoder.
Source: contohpidatodansoallengkap288.blogspot.com
Pada dec2to4 memiliki komposisi keluaran dan masukan. Makalah encoder dan decoder disusun oleh: Contoh soal dan jawaban ‘digital dan mikroprocessor’. Encoder akan menghasilkan kode biner yang setara dengan input yang mana adalah “ aktif tinggi “. Mari kita lihat contoh desain dari decoder 4 ke 16 dengan menggabungkan dua decoder 3 ke 8 pada gambar di bawah ini.
Source: contohpidatodansoallengkap288.blogspot.com
Kebalikan dari proses decoder dimana suatu. Encoder adalah suatu perangkat yang berfungsi untuk mengubah (konfersi) bentuk sinyal decimal menjadi biner. Salah satu dari output ini akan menjadi aktif tinggi berdasarkan kombinasi dari input yang ada ketika decoder diaktifkan. 6 model komunikasi menurut para ahli pakarkomunikasi com. Input keempat d diberikan sebagai input enable (en) ke kedua decoder.
Source: contohpidatodansoallengkap288.blogspot.com
Tiga input a, b dan c diberikan sebagai input ke dua decoder biner 3 ke 8. Encoder memiliki maksimum 2 n jalur input dimana n adalah jalur output. Input keempat d diberikan sebagai input enable (en) ke kedua decoder. Cari 3 contoh aplikasi menggunakan ic. Setiap output mewakili salah satu miniterms dari 2 variabel input, (setiap output = miniterm).
Source: blog.ub.ac.id
Pada dasarnya output atau keluaran dari decoder maksimum 2n, sehingga jika ingin dibuat output yang lebih banyak maka dapat dirangkai dengan beberapa buah decoder yang dihubungkan. Encoder mengubah informasi dari satu bentuk ke bentuk lain (biasanya format kode), sedangkan dekoder melakukan proses sebaliknya yang memungkinkan pengambilan informasi asli. 2 masukan dan 2 keluaraan b. Apabila dirancang sebuah decoder dengan jumlah masukan 5 maka jumlah keluarannya. Encoder akan menghasilkan kode biner yang setara dengan input yang mana adalah aktif tinggi.
This site is an open community for users to do submittion their favorite wallpapers on the internet, all images or pictures in this website are for personal wallpaper use only, it is stricly prohibited to use this wallpaper for commercial purposes, if you are the author and find this image is shared without your permission, please kindly raise a DMCA report to Us.
If you find this site helpful, please support us by sharing this posts to your own social media accounts like Facebook, Instagram and so on or you can also bookmark this blog page with the title contoh soal decoder dan encoder by using Ctrl + D for devices a laptop with a Windows operating system or Command + D for laptops with an Apple operating system. If you use a smartphone, you can also use the drawer menu of the browser you are using. Whether it’s a Windows, Mac, iOS or Android operating system, you will still be able to bookmark this website.
